-
Como avaliar a qualidade dos discos de filtro de bateria
Ao julgar a qualidade de discos de filtro de bateria, existem vários fatores que você pode considerar. Aqui estão alguns aspectos-chave para avaliar a qualidade dos discos de ...- Industry news
- Por: JinHan
- Nov 06,2023
-
Quais são as vantagens do separador de PVC SIO2 em comparação com o separador de PVC comum
Separadores de SiO2 em PVC são considerados uma melhoria em relação aos separadores normais de PVC devido à incorporação de nanopartículas de dióxido de silício (SiO2). Aqui e...- Industry news
- Por: JinHan
- Oct 30,2023
-
As diferenças entre o separador do PVC SIO2 e o separador do PE
O Separador de SiO2 em PVC e separador de PE (polietileno) são dois tipos diferentes de separadores usados em baterias. Aqui estão as principais diferenças entre eles:&nb...- Industry news
- Por: JinHan
- Oct 23,2023
-
A bateria do veículo elétrico é melhor com uma bateria de água ou uma bateria seca?
Em relação à questão de saber se a bateria do veículo elétrico é melhor com uma bateria de água ou uma bateria seca:A bateria de água em si é pesada e cara, Adequado para uso ...- Industry news
- Por: JinHan
- Oct 16,2023
-
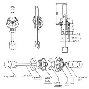
A importância de instalar o supressor de chamas em baterias de chumbo-ácido
Instalando um corta-chamas a bateria em baterias de chumbo-ácido é importante por vários motivos:Segurança: As baterias de chumbo-ácido podem produzir gás hidrogênio dura...- Industry news
- Por: JinHan
- Oct 09,2023
-
Como funciona o olho mágico da bateria
O Bateria Magic Eye, também conhecido como olho do hidrômetro ou indicador de estado de carga, é um pequeno dispositivo normalmente encontrado em baterias automotivas. Ele for...- Industry news
- Por: JinHan
- Oct 02,2023
-
Como escolher o indicador de nível de água da bateria
Ao escolher um indicador de nível de água da bateria, há vários fatores a serem considerados. Aqui estão alguns pontos-chave a serem lembrados:Compatibilidade: Certifique-se de que...- Industry news
- Por: JinHan
- Sep 25,2023
-
Celebre calorosamente o encerramento perfeito da 20ª Conferência Asiática de Baterias e Exposição
Ficamos entusiasmados em participar do 20º ABC, que fornece uma plataforma para nos aprofundarmos nos mais recentes desenvolvimentos, inovações e insights no dinâmico mundo do arma...- Company News
- Por: JinHan
- Sep 21,2023
-
Celebre calorosamente o encerramento perfeito da 20ª Conferência e Exposição de Baterias Asiáticas
Ficamos entusiasmados em participar do 20º ABC, que fornece uma plataforma para nos aprofundarmos nos mais recentes desenvolvimentos, inovações e insights no mundo dinâmico do arma...- Events
- Por: JinHan
- Sep 21,2023
-
Você sabe a importância do separador de manoplas tubulares para baterias?
OSeparador de Manoplasé um componente essencial que desempenha um papel crucial no funcionamento das baterias tubulares. Aqui' Algumas informações sobre sua importância:Estrutu...- Industry news
- Por: JinHan
- Sep 18,2023
-
Estrutura e condições de uso do separador de PE
A função doSeparador de PE é separar as placas positivas e negativas que dependem umas das outras para evitar curtos-circuitos devido ao contato umas com as outras. O material sepa...- Industry news
- Por: JinHan
- Sep 11,2023
-
O uso de baterias AGM
A bateria AGM é uma bateria de chumbo-ácido selada fabricada com tecnologia de tapete de vidro absorvente. Seu nome completo é bateria de tapete de vidro absorvente. As baterias AG...- Industry news
- Por: JinHan
- Sep 04,2023